




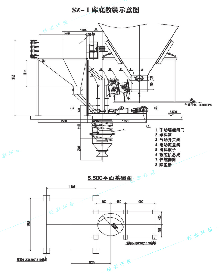
汽车散装机是将库内的粉料或骨料自动无尘装车的设备。汽车散装机主要由手动棒阀,电动扇形阀,卷扬装置,伸缩卸料装置、收尘软管,电容式限位开关,电控系统等部分组成。
服务电话:13091153069(同微信) 汽车散装机是将库内的粉料或骨料自动无尘装车的设备。汽车散装机主要由手动棒阀,电动扇形阀,卷扬装置,伸缩卸料装置、收尘软管,电容式限位开关,电控系统等部分组成。当汽车进入位置后,打开棒阀相应的棒条数量。按住控制柜的“下降钮”,下料头到位后会自动断开升降电机电源,按“装车钮”进入卸料状态,辅助配套设备会相应开始工作,卸料产生的灰尘通过进料斗,由伸缩收尘软管进入收尘器净化,当下料头的物料装满时,下料头边上升,边报警,上升距离要在装料前设置。若上升距1米,则将时间继电器的时间调为T=1N。在上升过程中装料始终在进行,当下料头满时,再重复上述动作,到达料满位置后,按停车钮,使电振机反制动,或关闭扇形阀下料停止工作,其它设备相应停止工作。停车后可按上升按钮让下料斗离开物料一定距离,确保运输工具的移动,再对准第二个卸料工位。直到整个料仓装满为止



